





Le tee-shirt latéral est utilisé pour modifier la direction du liquide ou des fluides de gaz, qui traversent le tuyau. Il a la capacité de réduire les turbulences et les frictions, augmentant ainsi l'écoulement du fluide.
Ce type de TEE est particulièrement utile dans les scénarios où l'écoulement doit être redirigé à un angle tout en transitionnant vers une taille de tuyau plus petite. Il trouve une application dans les industries et les systèmes où la distribution des liquides ou du gaz nécessite des changements dans le diamètre des tuyaux ainsi que la ramification latérale. Le TEE réducteur latéral facilite une transition en douceur entre les tuyaux de tailles variables tout en contrôlant efficacement la direction d'écoulement.
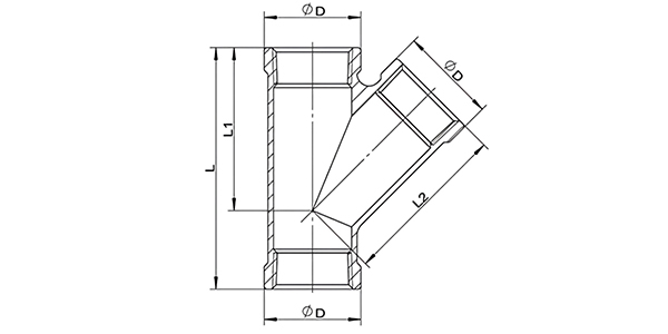
Un tee-shirt latéral est un type de raccord de tee, qui a une branche de 45 degrés du pipeline. Lors de l'installation du tee-shirt latéral avec les tuyaux, les soudeurs doivent noter la direction qui coule. Parce que pour le tuyau de course principal, la branche est de 45 degrés et de 135 degrés. En raison de la forme spéciale et de la direction de la branche, le tee-shirt latéral est fabriqué à partir de deux morceaux de tuyau puis connecté ensemble.
Les raccords de tuyaux de tee latérale ont certaines caractéristiques telles que: une résistance élevée à l'eau, une durabilité, une résistance à la corrosion, une installation facile, etc. Dans des conditions de température et de pression élevées, il peut maintenir des dimensions précises, anti-corrosion, etc.
Introduction
| Tee-shirt latéral | |
| Article | T-shirt latéral fileté en acier inoxydable |
| Standard | ASME / ANSI - B 16.9, ASTM A403 - ASME SA403, ASME B16.9, ASME B16.25, ASME B16.28, MSS SP-43 |
| Matériel | Stainless steel: 304, F304(S30408), F316(S31608), F321(S32168), 304L(S30403), F316L(S31603), 316L(high Mo), 00Cr17Ni14Mo2, F51(S22253), F60, F304H(S30409), F316H (S31609), F321H (S32169), F321H Low S.P, M-400, F53, 316ti, 317, 317L, 347, 347H (S34779), 310S, F304 Low S.P, 304L S.P, F316L Low |
| Surface | CS-galvanisé ou phosphant noir, Oi à l'épreuve de la rouil |
| Taper | Casting de précision |
| taille | 1/4 "-2", accepter la personnalisation |
| Délai de livraison | Dans les 5-30 jours après avoir reçu le prépayé |
| Emballage | La surface du produit est enveloppée de film en plastique ou de papier bulle, et les deux extrémités sont couvertes pour la protection. |
| Application | Pétrole, produits chimiques, machines, chaudière, électrique, construction navale, etc |
| Taille | DN | Φd | L | L1 | L2 |
| 1/4 " | 8 | 18.0 | 55.0 | 32.5 | 33.0 |
| 3/8 " | 10 | 21.5 | 60.0 | 38.0 | 38.5 |
| 1/2 " | 15 | 26.5 | 65.0 | 45.5 | 46.5 |
| 3/4 " | 20 | 32.0 | 80.0 | 54.0 | 55.5 |
| 1 " | 25 | 39.5 | 90.0 | 65.0 | 66.0 |
| 1 1/4 " | 32 | 48.5 | 104.0 | 75.0 | 76.0 |
| 1 1/2 " | 40 | 55.0 | 120.0 | 88.0 | 88.0 |
| 2 " | 50 | 67.0 | 138.0 | 105.0 | 107.0 |
Fondée en 2007 et déménagé dans la zone de développement économique de Longyou, dans la province du Zhejiang, en 2022. Il couvre une superficie de 130 000 mètres carrés, plus de 30 lignes de production, 300 travailleurs, 20 personnes de R&D, 30 personnes d'inspection et une production annuelle de 50 000 tonnes.
Il est passé ISO9001: 2008 Système de gestion de la qualité, PED 97/23 / EC EU Pression Equipment Certification, China Special Equipment Licence de fabrication d'équipements (tube de pression) Certification TS, Système de gestion de l'environnement, production provinciale (Green Enterprise), Association de l'expédition (ABS), ainsi que la Société de classification de la Chine (CCS), Association, ABS) (LR), Deutsche Veritas (GL), Bureau Veritas Society (BV), Det Norske Veritas (DNV) et Certification coréenne du registre de l'expédition (KR).
Les principaux produits comprennent des tuyaux en acier inoxydable, des raccords de tuyaux, des brides, des vannes, etc., qui sont largement utilisés dans le pétrole, l'industrie chimique, l'industrie nucléaire, la fusion, la construction navale, les produits pharmaceutiques, les aliments, la conservation de l'eau, l'énergie électrique, la nouvelle énergie, l'équipement mécanique et d'autres domaines. L'entreprise adhère au principe de l'entreprise de «qualité pour la survie, la réputation de développement» et sert de tout cœur chaque client à créer une situation gagnant-gagnant.





Les infrastructures gazières exigent des matériaux performants sans compromis : pas de fuites, pas de défaillances dues à la corrosion, pas de surprises de pression. Les tuyaux en acier inoxydab...
Voir plusNous sommes ravis d'annoncer la conclusion triomphale de notre participation à Tube 2026 , le premier salon mondial de la technologie des tubes et tuyaux, qui s'est tenu du 13 au 1...
Voir plusLa technologie des tubes en spirale est devenue l’un des outils les plus essentiels de l’industrie pétrolière et gazière moderne. Qu’il s’agisse d’intervention, de stimulation ou de forage de pu...
Voir plusNous ne partagerons jamais votre adresse e-mail et vous
Peut se désinscrire à tout moment, nous le promettons.