





Le tuyau transversal est un raccord de tuyau utilisé à l'intersection de quatre tuyaux. Il peut avoir une entrée et trois points de vente, ou il peut avoir une entrée et une prise. Les diamètres de sortie et d'entrée peuvent être identiques ou différents.
Lorsque la taille du tuyau de branche est plus petite que la taille du tuyau principal, nous l'appelons généralement une croix réductrice. Cela atteint l'écoulement et la pression requis à travers le système de tuyauterie. Ces ajustements réducteurs de tuyaux transversaux ont souvent tendance à avoir des douilles soudées par des solvants ou des extrémités fières.
Les croix en acier inoxydable sont largement utilisées dans les systèmes de plomberie. Ce sont les raccords qui connectent divers tuyaux et permettent de transformer le chemin. Ces croisements réducteurs aident les liquides à se déplacer de manière sûre.
La réduction des ajustements est moins courante dans les applications industrielles générales. Il n'y a que quelques situations où la réduction des raccords croisés est utilisé, comme les gicleurs d'incendie sur les systèmes d'urgence ou le jardinage, les applications domestiques, etc.
Introduction
| Réduction de la croix | |
| Article | Croix de réduction de l'acier inoxydable |
| Standard | ASME: ANSI B16.9, ANSI B16.28, MSS-SP-43 GB: GB / T12459, GB / T13401, HG / T21635, HG / T21631 |
| Matériel | Grade OCR18NI9 en acier inoxydable, 0cr18ni9ti, 1CR18NI9TI; 304, 304L, 316, 316L, 317, 317L, 321, 321H ASTM en acier inoxydable à double phase A815-S31803 、 S32750 、 S32760 Super Steel ASTM 904L 、 B366-N08904 、 A403-WP317、317L |
| Surface | Chaud galvanisé |
| Taper | Formage de renflement |
| taille | ½ "-48" |
| Délai de livraison | Dans les 5-30 jours après avoir reçu le prépayé |
| Emballage | Emballage généralement avec des tas de contreplaqué avec chaque produit bien rempli de films. |
| Application | Génération d'électricité, pétrochimique, construction navale, fabrication de papier, chimique, pharmaceutique et fabrication. |
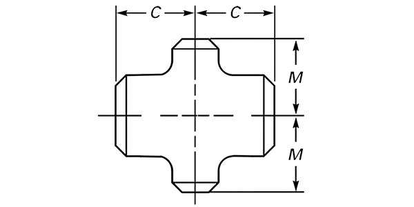
| Taille du tuyau nominal | O.D. à la biseau | Centre à terme | |||
| NPS | Courir | Sortie | Courir c | Sortie m | |
| ½ | ¼ | 0.84 | 0.54 | 1.00 | 1.00 |
| ½ | 3/8 | 0.84 | 0.68 | 1.00 | 1.00 |
| ¾ | 3/8 | 1.05 | 0.68 | 1.12 | 1.12 |
| ¾ | ½ | 1.05 | 0.84 | 1.12 | 1.12 |
| 1 | ½ | 1.32 | 0.84 | 1.50 | 1.50 |
| 1 | ¾ | 1.32 | 1.05 | 1.50 | 1.50 |
| 1¼ | ½ | 1.66 | 0.84 | 1.88 | 1.88 |
| 1¼ | ¾ | 1.66 | 1.05 | 1.88 | 1.88 |
| 1¼ | 1 | 1.66 | 1.32 | 1.88 | 1.88 |
| 1½ | ½ | 1.90 | 0.84 | 2.25 | 2.25 |
| 1½ | ¾ | 1.90 | 1.05 | 2.25 | 2.25 |
| 1½ | 1 | 1.90 | 1.66 | 2.25 | 2.25 |
| 1½ | 1¼ | 1.90 | 1.66 | 2.25 | 2.25 |
| 2 | ¾ | 2.38 | 1.05 | 2.50 | 1.75 |
| 2 | 1 | 2.38 | 1.32 | 2.50 | 2.00 |
| 2 | 1¼ | 2.38 | 1.66 | 2.50 | 2.25 |
| 2 | 1½ | 2.38 | 1.90 | 2.50 | 2.38 |
| 2½ | 1 | 2.88 | 1.32 | 3.00 | 2.25 |
| 2½ | 1¼ | 2.88 | 1.66 | 3.00 | 2.50 |
| 2½ | 1½ | 2.88 | 1.90 | 3.00 | 2.62 |
| 2½ | 2 | 2.88 | 2.38 | 3.00 | 2.75 |
| 3 | 1¼ | 3.50 | 1.66 | 3.38 | 2.75 |
| 3 | 1½ | 3.50 | 1.90 | 3.38 | 2.88 |
| 3 | 2 | 3.50 | 2.38 | 3.38 | 3.00 |
| 3 | 2½ | 3.50 | 2.88 | 3.38 | 3.25 |
| 3½ | 1½ | 4.00 | 1.90 | 3.75 | 3.12 |
| 3½ | 2 | 4.00 | 2.38 | 3.75 | 3.25 |
| 3½ | 2½ | 4.00 | 2.88 | 3.75 | 3.50 |
| 3½ | 3 | 4.00 | 3.50 | 3.75 | 3.62 |
| 4 | 1½ | 4.50 | 1.90 | 4.12 | 3.38 |
| 4 | 2 | 4.50 | 2.38 | 4.12 | 3.50 |
| 4 | 2½ | 4.50 | 2.88 | 4.12 | 3.75 |
| 4 | 3 | 4.50 | 3.50 | 4.12 | 3.88 |
| 4 | 3½ | 4.50 | 4.00 | 4.12 | 4.00 |
| 5 | 2 | 5.56 | 2.38 | 4.88 | 4.12 |
| 5 | 2½ | 5.56 | 2.88 | 4.88 | 4.25 |
| 5 | 3 | 5.56 | 3.50 | 4.88 | 4.38 |
| 5 | 3½ | 5.56 | 4.00 | 4.88 | 4.50 |
| 5 | 4 | 5.56 | 4.50 | 4.88 | 4.62 |
| 6 | 2½ | 6.62 | 2.88 | 5.62 | 4.75 |
| 6 | 3 | 6.62 | 3.50 | 5.62 | 4.88 |
| 6 | 3½ | 6.62 | 4.00 | 5.62 | 5.00 |
| 6 | 4 | 6.62 | 4.50 | 5.62 | 5.12 |
| 6 | 5 | 6.62 | 5.56 | 5.62 | 5.38 |
| 8 | 3½ | 8.62 | 4.00 | 7.00 | 6.00 |
| 8 | 4 | 8.62 | 4.50 | 7.00 | 6.12 |
| 8 | 5 | 8.62 | 5.56 | 7.00 | 6.38 |
| 8 | 6 | 8.62 | 6.62 | 7.00 | 6.62 |
| 10 | 4 | 10.75 | 4.50 | 8.50 | 7.25 |
| 10 | 5 | 10.75 | 5.56 | 8.50 | 7.50 |
| 10 | 6 | 10.75 | 6.62 | 8.50 | 7.62 |
| 10 | 8 | 10.75 | 8.62 | 8.50 | 8.00 |
| 12 | 5 | 12.75 | 5.56 | 10.00 | 8.50 |
| 12 | 6 | 12.75 | 6.62 | 10.00 | 8.62 |
| 12 | 8 | 12.75 | 8.62 | 10.00 | 9.00 |
| 12 | 10 | 12.75 | 10.75 | 10.00 | 9.50 |
| 14 | 6 | 14.00 | 6.62 | 11.00 | 9.38 |
| 14 | 8 | 14.00 | 8.62 | 11.00 | 9.75 |
| 14 | 10 | 14.00 | 10.75 | 11.00 | 10.12 |
| 14 | 12 | 14.00 | 12.75 | 11.00 | 10.62 |
| 16 | 6 | 16.00 | 6.62 | 12.00 | 10.38 |
| 16 | 8 | 16.00 | 8.62 | 12.00 | 10.75 |
| 16 | 10 | 16.00 | 10.75 | 12.00 | 11.12 |
| 16 | 12 | 16.00 | 12.75 | 12.00 | 11.62 |
| 16 | 14 | 16.00 | 14.00 | 12.00 | 12.00 |
| 18 | 8 | 18.00 | 8.62 | 13.50 | 11.75 |
| 18 | 10 | 18.00 | 10.75 | 13.50 | 12.12 |
| 18 | 12 | 18.00 | 12.75 | 13.50 | 12.62 |
| 18 | 14 | 18.00 | 14.00 | 13.50 | 13.00 |
| 18 | 16 | 18.00 | 16.00 | 13.50 | 13.00 |
| 20 | 8 | 20.00 | 8.62 | 15.00 | 12.75 |
| 20 | 10 | 20.00 | 10.75 | 15.00 | 13.12 |
| 20 | 12 | 20.00 | 12.75 | 15.00 | 13.62 |
| 20 | 14 | 20.00 | 14.00 | 15.00 | 14.00 |
| 20 | 16 | 20.00 | 16.00 | 15.00 | 14.00 |
| 20 | 18 | 20.00 | 18.00 | 15.00 | 14.50 |
| 22 | 10 | 22.00 | 10.75 | 16.50 | 14.12 |
| 22 | 12 | 22.00 | 12.75 | 16.50 | 14.62 |
| 22 | 14 | 22.00 | 14.00 | 16.50 | 15.00 |
| 22 | 16 | 22.00 | 16.00 | 16.50 | 15.00 |
| 22 | 18 | 22.00 | 18.00 | 16.50 | 15.50 |
| 22 | 20 | 22.00 | 20.00 | 16.50 | 16.00 |
| 24 | 10 | 24.00 | 10.75 | 17.00 | 15.12 |
| 24 | 12 | 24.00 | 12.75 | 17.00 | 15.62 |
| 24 | 14 | 24.00 | 14.00 | 17.00 | 16.00 |
| 24 | 16 | 24.00 | 16.00 | 17.00 | 16.00 |
| 24 | 18 | 24.00 | 18.00 | 17.00 | 16.50 |
| 24 | 20 | 24.00 | 20.00 | 17.00 | 17.00 |
| 24 | 22 | 24.00 | 22.00 | 17.00 | 17.00 |
| 26 | 12 | 26.00 | 12.75 | 19.50 | 16.62 |
| 26 | 14 | 26.00 | 14.00 | 19.50 | 17.00 |
| 26 | 16 | 26.00 | 16.00 | 19.50 | 17.00 |
| 26 | 18 | 26.00 | 18.00 | 19.50 | 17.50 |
| 26 | 20 | 26.00 | 20.00 | 19.50 | 18.00 |
| 26 | 22 | 26.00 | 22.00 | 19.50 | 18.50 |
| 26 | 24 | 26.00 | 24.00 | 19.50 | 19.00 |
| 28 | 12 | 28.00 | 12.75 | 20.50 | 17.62 |
| 28 | 14 | 28.00 | 14.00 | 20.50 | 18.00 |
| 28 | 16 | 28.00 | 16.00 | 20.50 | 18.00 |
| 28 | 18 | 28.00 | 18.00 | 20.50 | 18.50 |
| 28 | 20 | 28.00 | 20.00 | 20.50 | 19.00 |
| 28 | 22 | 28.00 | 22.00 | 20.50 | 19.50 |
| 28 | 24 | 28.00 | 24.00 | 20.50 | 20.00 |
| 28 | 26 | 28.00 | 26.00 | 20.50 | 20.50 |
| 30 | 10 | 30.00 | 10.75 | 22.00 | 18.12 |
| 30 | 12 | 30.00 | 12.75 | 22.00 | 18.62 |
| 30 | 14 | 30.00 | 14.00 | 22.00 | 19.00 |
| 30 | 16 | 30.00 | 16.00 | 22.00 | 19.00 |
| 30 | 18 | 30.00 | 18.00 | 22.00 | 19.50 |
| 30 | 20 | 30.00 | 20.00 | 22.00 | 20.00 |
| 30 | 22 | 30.00 | 22.00 | 22.00 | 20.50 |
| 30 | 24 | 30.00 | 24.00 | 22.00 | 21.00 |
| 30 | 26 | 30.00 | 26.00 | 22.00 | 21.50 |
| 30 | 28 | 30.00 | 28.00 | 22.00 | 21.50 |
| 32 | 14 | 32.00 | 14.00 | 23.50 | 20.00 |
| 32 | 16 | 32.00 | 16.00 | 23.50 | 20.00 |
| 32 | 18 | 32.00 | 18.00 | 23.50 | 20.50 |
| 32 | 20 | 32.00 | 20.00 | 23.50 | 21.00 |
| 32 | 22 | 32.00 | 22.00 | 23.50 | 21.50 |
| 32 | 24 | 32.00 | 24.00 | 23.50 | 22.00 |
| 32 | 26 | 32.00 | 26.00 | 23.50 | 22.50 |
| 32 | 28 | 32.00 | 28.00 | 23.50 | 22.50 |
| 32 | 30 | 32.00 | 30.00 | 23.50 | 23.00 |
| 34 | 16 | 34.00 | 16.00 | 25.00 | 21.00 |
| 34 | 18 | 34.00 | 18.00 | 25.00 | 21.50 |
| 34 | 20 | 34.00 | 20.00 | 25.00 | 22.00 |
| 34 | 22 | 34.00 | 22.00 | 25.00 | 22.50 |
| 34 | 24 | 34.00 | 24.00 | 25.00 | 23.00 |
| 34 | 26 | 34.00 | 26.00 | 25.00 | 23.50 |
| 34 | 28 | 34.00 | 28.00 | 25.00 | 23.50 |
| 34 | 30 | 34.00 | 30.00 | 25.00 | 24.00 |
| 34 | 32 | 34.00 | 32.00 | 25.00 | 24.50 |
| 36 | 16 | 36.00 | 16.00 | 26.50 | 22.00 |
| 36 | 18 | 36.00 | 18.00 | 26.50 | 22.50 |
| 36 | 20 | 36.00 | 20.00 | 26.50 | 23.00 |
| 36 | 22 | 36.00 | 22.00 | 26.50 | 23.50 |
| 36 | 24 | 36.00 | 24.00 | 26.50 | 24.00 |
| 36 | 26 | 36.00 | 26.00 | 26.50 | 24.50 |
| 36 | 28 | 36.00 | 28.00 | 26.50 | 24.50 |
| 36 | 30 | 36.00 | 30.00 | 26.50 | 25.00 |
| 36 | 32 | 36.00 | 32.00 | 26.50 | 25.50 |
| 36 | 34 | 36.00 | 34.00 | 26.50 | 26.00 |
| 38 | 18 | 38.00 | 18.00 | 28.00 | 23.50 |
| 38 | 20 | 38.00 | 20.00 | 28.00 | 24.00 |
| 38 | 22 | 38.00 | 22.00 | 28.00 | 24.50 |
| 38 | 24 | 38.00 | 24.00 | 28.00 | 25.00 |
| 38 | 26 | 38.00 | 26.00 | 28.00 | 25.50 |
| 38 | 28 | 38.00 | 28.00 | 28.00 | 25.50 |
| 38 | 30 | 38.00 | 30.00 | 28.00 | 26.50 |
| 38 | 32 | 38.00 | 32.00 | 28.00 | 27.00 |
| 38 | 34 | 38.00 | 34.00 | 28.00 | 27.50 |
| 38 | 36 | 38.00 | 36.00 | 28.00 | 28.00 |
| 40 | 18 | 40.00 | 18.00 | 29.50 | 24.50 |
| 40 | 20 | 40.00 | 20.00 | 29.50 | 25.00 |
| 40 | 22 | 40.00 | 22.00 | 29.50 | 25.50 |
| 40 | 24 | 40.00 | 24.00 | 29.50 | 26.00 |
| 40 | 26 | 40.00 | 26.00 | 29.50 | 26.50 |
| 40 | 28 | 40.00 | 28.00 | 29.50 | 26.50 |
| 40 | 30 | 40.00 | 30.00 | 29.50 | 27.50 |
| 40 | 32 | 40.00 | 32.00 | 29.50 | 28.00 |
| 40 | 34 | 40.00 | 34.00 | 29.50 | 28.50 |
| 40 | 36 | 40.00 | 36.00 | 29.50 | 29.00 |
| 40 | 38 | 40.00 | 38.00 | 29.50 | 29.50 |
| 42 | 16 | 42.00 | 16.00 | 30.00 | 25.00 |
| 42 | 18 | 42.00 | 18.00 | 30.00 | 25.50 |
| 42 | 20 | 42.00 | 20.00 | 30.00 | 26.00 |
| 42 | 22 | 42.00 | 22.00 | 30.00 | 26.00 |
| 42 | 24 | 42.00 | 24.00 | 30.00 | 26.00 |
| 42 | 26 | 42.00 | 26.00 | 30.00 | 27.50 |
| 42 | 28 | 42.00 | 28.00 | 30.00 | 27.50 |
| 42 | 30 | 42.00 | 30.00 | 30.00 | 28.00 |
| 42 | 32 | 42.00 | 32.00 | 30.00 | 28.00 |
| 42 | 34 | 42.00 | 34.00 | 30.00 | 28.00 |
| 42 | 36 | 42.00 | 36.00 | 30.00 | 28.00 |
| 42 | 38 | 42.00 | 38.00 | 30.00 | 28.00 |
| 42 | 40 | 42.00 | 40.00 | 30.00 | 28.00 |
| 44 | 20 | 44.00 | 20.00 | 32.00 | 27.00 |
| 44 | 22 | 44.00 | 22.00 | 32.00 | 27.00 |
| 44 | 24 | 44.00 | 24.00 | 32.00 | 27.50 |
| 44 | 26 | 44.00 | 26.00 | 32.00 | 27.50 |
| 44 | 28 | 44.00 | 28.00 | 32.00 | 27.50 |
| 44 | 30 | 44.00 | 30.00 | 32.00 | 28.00 |
| 44 | 32 | 44.00 | 32.00 | 32.00 | 28.00 |
| 44 | 34 | 44.00 | 34.00 | 32.00 | 28.50 |
| 44 | 36 | 44.00 | 36.00 | 32.00 | 28.50 |
| 44 | 38 | 44.00 | 38.00 | 32.00 | 29.00 |
| 44 | 40 | 44.00 | 40.00 | 32.00 | 29.50 |
| 44 | 42 | 44.00 | 42.00 | 32.00 | 30.00 |
| 46 | 22 | 46.00 | 22.00 | 33.50 | 28.50 |
| 46 | 24 | 46.00 | 24.00 | 33.50 | 28.50 |
| 46 | 26 | 46.00 | 26.00 | 33.50 | 29.00 |
| 46 | 28 | 46.00 | 28.00 | 33.50 | 29.00 |
| 46 | 30 | 46.00 | 30.00 | 33.50 | 29.00 |
| 46 | 32 | 46.00 | 32.00 | 33.50 | 29.50 |
| 46 | 34 | 46.00 | 34.00 | 33.50 | 29.50 |
| 46 | 36 | 46.00 | 36.00 | 33.50 | 30.00 |
| 46 | 38 | 46.00 | 38.00 | 33.50 | 30.00 |
| 46 | 40 | 46.00 | 40.00 | 33.50 | 30.50 |
| 46 | 42 | 46.00 | 42.00 | 33.50 | 31.00 |
| 46 | 44 | 46.00 | 44.00 | 33.50 | 31.50 |
| 48 | 22 | 48.00 | 22.00 | 35.00 | 29.00 |
| 48 | 24 | 48.00 | 24.00 | 35.00 | 29.00 |
| 48 | 26 | 48.00 | 26.00 | 35.00 | 30.00 |
| 48 | 28 | 48.00 | 28.00 | 35.00 | 30.00 |
| 48 | 30 | 48.00 | 30.00 | 35.00 | 30.00 |
| 48 | 32 | 48.00 | 32.00 | 35.00 | 31.00 |
| 48 | 34 | 48.00 | 34.00 | 35.00 | 31.00 |
| 48 | 36 | 48.00 | 36.00 | 35.00 | 31.00 |
| 48 | 38 | 48.00 | 38.00 | 35.00 | 32.00 |
| 48 | 40 | 48.00 | 40.00 | 35.00 | 32.00 |
| 48 | 42 | 48.00 | 42.00 | 35.00 | 32.00 |
| 48 | 44 | 48.00 | 44.00 | 35.00 | 33.00 |
| 48 | 46 | 48.00 | 46.00 | 35.00 | 33.00 |
Fondée en 2007 et déménagé dans la zone de développement économique de Longyou, dans la province du Zhejiang, en 2022. Il couvre une superficie de 130 000 mètres carrés, plus de 30 lignes de production, 300 travailleurs, 20 personnes de R&D, 30 personnes d'inspection et une production annuelle de 50 000 tonnes.
Il est passé ISO9001: 2008 Système de gestion de la qualité, PED 97/23 / EC EU Pression Equipment Certification, China Special Equipment Licence de fabrication d'équipements (tube de pression) Certification TS, Système de gestion de l'environnement, production provinciale (Green Enterprise), Association de l'expédition (ABS), ainsi que la Société de classification de la Chine (CCS), Association, ABS) (LR), Deutsche Veritas (GL), Bureau Veritas Society (BV), Det Norske Veritas (DNV) et Certification coréenne du registre de l'expédition (KR).
Les principaux produits comprennent des tuyaux en acier inoxydable, des raccords de tuyaux, des brides, des vannes, etc., qui sont largement utilisés dans le pétrole, l'industrie chimique, l'industrie nucléaire, la fusion, la construction navale, les produits pharmaceutiques, les aliments, la conservation de l'eau, l'énergie électrique, la nouvelle énergie, l'équipement mécanique et d'autres domaines. L'entreprise adhère au principe de l'entreprise de «qualité pour la survie, la réputation de développement» et sert de tout cœur chaque client à créer une situation gagnant-gagnant.





Les infrastructures gazières exigent des matériaux performants sans compromis : pas de fuites, pas de défaillances dues à la corrosion, pas de surprises de pression. Les tuyaux en acier inoxydab...
Voir plusNous sommes ravis d'annoncer la conclusion triomphale de notre participation à Tube 2026 , le premier salon mondial de la technologie des tubes et tuyaux, qui s'est tenu du 13 au 1...
Voir plusLa technologie des tubes en spirale est devenue l’un des outils les plus essentiels de l’industrie pétrolière et gazière moderne. Qu’il s’agisse d’intervention, de stimulation ou de forage de pu...
Voir plusNous ne partagerons jamais votre adresse e-mail et vous
Peut se désinscrire à tout moment, nous le promettons.