





Une croix est un type de raccord de tuyau qui a quatre ouvertures sur une seule connexion. L'ajustement ressemble à une croix et relie quatre tuyaux différents en un point. Il possède généralement des prises soudées par solvant ou des extrémités fières.
Le raccord croisé égal est un croisement avec les quatre ouvertures d'avoir le même diamètre et de se connecter à quatre tuyaux du même diamètre également.
Les raccords de tuyaux croisés sont utilisés pour connecter les tuyaux et changer ou contrôler le flux à travers un système de tuyauterie. Ses dimensions jouent un rôle important dans la décision de la force et de la stabilité. Lorsque les tuyaux de la même taille sont connectés et que les fluides s'écoulent à partir d'une direction, il sera divisé en trois directions. L'ajustement à tuyaux transversaux sera soumis à de grands problèmes de pression lorsque le fluide coule dans trois directions et devrait se déplacer dans une direction.
Les raccords de tuyaux transversaux peuvent stresser les tuyaux à mesure que les températures changent en raison de leur nature à quatre voies. Par conséquent, les tuyaux transversaux ne sont généralement pas utilisés comme composants hydrauliques de pipeline. À l'inverse, où l'expansion thermique n'est pas un problème, les ajustements croisés sont plus avantageux.
Introduction
| Croix égale | |
| Article | Croix égale en acier inoxydable |
| Standard | ASME: ANSI B16.9, ANSI B16.28, MSS-SP-43 EN: EN10253-1, EN10253-2 DIN: Din2605, Din2615, Din2616, Din2617, Din28011 ASME B16.25- Endrages de soudure de bout à bout ASME B16.28 - Radius court en acier forgé coudes et retours de soudage des boutons MSS SP-43 Raccords de soudage à bout de MSS pour les applications à basse pression résistantes à la corrosion ASTM A403-ASME SA403 SPÉCIFICATION POUR ASME B16.9 Working Rapints Butt Souding |
| Matériel | Acier inoxydable, acier en alliage, duplex, alliages de nickel, acier à basse température, acier au carbone, etc. |
| Surface | Recuit et mariné, galvanisation à la trempette chaude, vernis électro, huile transparente, plaques de zinc, peinture noire, vernis |
| Taper | Poussez, appuyez, forge, coulé, etc. |
| taille | ½ "-48" |
| Délai de livraison | Dans les 5-30 jours après avoir reçu le prépayé |
| Emballage | Palette de cartons enveloppée de rétrécissement ou dans un boîtier en bois en digne de mer |
| Application | Raccords pour connecter les tuyaux et les tubes en pétrole, puissance, produits chimiques, construction, gaz, métallurgie, construction navale, etc. |
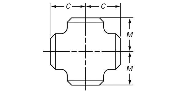
| Taille du tuyau nominal | Taille du tuyau nominal | Centre à terminer (dans.) | |
| NPS | (dans.) | Courir, c | Sortie, m |
| ½ | 0.84 | 1.00 | 1.00 |
| ¾ | 1.05 | 1.12 | 1.12 |
| 1 | 1.32 | 1.50 | 1.50 |
| 1¼ | 1.66 | 1.88 | 1.88 |
| 1½ | 1.90 | 2.25 | 2.25 |
| 2 | 2.38 | 2.50 | 2.50 |
| 2½ | 2.88 | 3.00 | 3.00 |
| 3 | 3.50 | 3.38 | 3.38 |
| 3½ | 4.00 | 3.75 | 3.75 |
| 4 | 4.50 | 4.12 | 4.12 |
| 5 | 5.56 | 4.88 | 4.88 |
| 6 | 6.62 | 5.62 | 5.62 |
| 8 | 8.62 | 7.00 | 7.00 |
| 10 | 10.75 | 8.50 | 8.50 |
| 12 | 12.75 | 10.00 | 10.00 |
| 14 | 14.00 | 11.00 | 11.00 |
| 16 | 16.00 | 12.00 | 12.00 |
| 18 | 18.00 | 13.50 | 13.50 |
| 20 | 20.00 | 15.00 | 15.00 |
| 22 | 22.00 | 16.50 | 16.50 |
| 24 | 24.00 | 17.00 | 17.00 |
| 26 | 26.00 | 19.50 | 19.50 |
| 28 | 28.00 | 20.50 | 20.50 |
| 30 | 30.00 | 22.00 | 22.00 |
| 32 | 32.00 | 23.50 | 23.50 |
| 34 | 34.00 | 25.00 | 25.00 |
| 36 | 36.00 | 26.50 | 26.50 |
| 38 | 38.00 | 28.00 | 28.00 |
| 40 | 40.00 | 29.50 | 29.50 |
| 42 | 42.00 | 30.00 | 28.00 |
| 44 | 44.00 | 32.00 | 30.00 |
| 46 | 46.00 | 33.50 | 31.50 |
| 48 | 48.00 | 35.00 | 33.00 |
Fondée en 2007 et déménagé dans la zone de développement économique de Longyou, dans la province du Zhejiang, en 2022. Il couvre une superficie de 130 000 mètres carrés, plus de 30 lignes de production, 300 travailleurs, 20 personnes de R&D, 30 personnes d'inspection et une production annuelle de 50 000 tonnes.
Il est passé ISO9001: 2008 Système de gestion de la qualité, PED 97/23 / EC EU Pression Equipment Certification, China Special Equipment Licence de fabrication d'équipements (tube de pression) Certification TS, Système de gestion de l'environnement, production provinciale (Green Enterprise), Association de l'expédition (ABS), ainsi que la Société de classification de la Chine (CCS), Association, ABS) (LR), Deutsche Veritas (GL), Bureau Veritas Society (BV), Det Norske Veritas (DNV) et Certification coréenne du registre de l'expédition (KR).
Les principaux produits comprennent des tuyaux en acier inoxydable, des raccords de tuyaux, des brides, des vannes, etc., qui sont largement utilisés dans le pétrole, l'industrie chimique, l'industrie nucléaire, la fusion, la construction navale, les produits pharmaceutiques, les aliments, la conservation de l'eau, l'énergie électrique, la nouvelle énergie, l'équipement mécanique et d'autres domaines. L'entreprise adhère au principe de l'entreprise de «qualité pour la survie, la réputation de développement» et sert de tout cœur chaque client à créer une situation gagnant-gagnant.





Les infrastructures gazières exigent des matériaux performants sans compromis : pas de fuites, pas de défaillances dues à la corrosion, pas de surprises de pression. Les tuyaux en acier inoxydab...
Voir plusNous sommes ravis d'annoncer la conclusion triomphale de notre participation à Tube 2026 , le premier salon mondial de la technologie des tubes et tuyaux, qui s'est tenu du 13 au 1...
Voir plusLa technologie des tubes en spirale est devenue l’un des outils les plus essentiels de l’industrie pétrolière et gazière moderne. Qu’il s’agisse d’intervention, de stimulation ou de forage de pu...
Voir plusNous ne partagerons jamais votre adresse e-mail et vous
Peut se désinscrire à tout moment, nous le promettons.